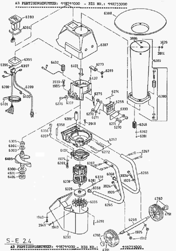
Art.Nr.: 6281
Hersteller Bezeichnung: Spannstift, Spannhülse

- Beschreibung
- Original AS-Motor Ersatzteil aus dem Hause AS-Motor
- Spannhülse aus brüniertem Federstahl
- Sitzt auf der Welle des Elektromotors und sichert das Lüfterrad auf der gegenüberliegenden Seite des Messers.
- Abmessungen 5x 36 mm
- AS Ersatzteilnummer: 06281, 6281, E6281 und E06281 sowie G07853032 und 07853032
- Passend an folgenden Häckslern:
- Samix Gartenhäcksler Rapido S-E 2.4
- Samix Gartenhäcksler Rapido S-E 2.5
Preis:
0,50 EUR