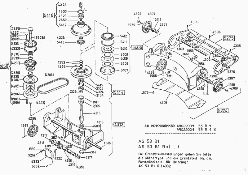
Art.Nr.: 4322
Hersteller Bezeichnung: Spannstift zur Befestigung der Riemenscheibe auf der Antriebswelle

- Beschreibung
- Mit dieser Spannhülse befestigen Sie die Riemenscheibe ( 5471, E 05471 ) komplett auf der Antriebwelle hinten z.B. bei AS 21 und AS 26 Modellen. Einfach die beiden Bohrungen übereinander legen und mit einem Hammer und Durchschlag oder Splinteneintreiber die Spannhülse einschlagen.
- Tipp: Am einfachsten funktioniert dies, wenn sie die Antriebswelle auf ein Prisma auflegen.
- Der Spannstift besteht aus brüniertem Federstahl (Nr. 200 bzw. 3970 in Zeichnung)
- Durchmesser 5 mm
- Original AS-Motor Ersatzteil aus dem Hause AS-Motor
- AS Ersatzteilnummer: E04322, E4322, 4322, 04322 und G07853020, 07853020, G7853020
- passend an folgenden AS - Mähern:
- AS Profi- Rasenmäher AS 53 2T ES 4WD AS 53 B5 AS 53 B6
- AS Profi- Rasenmäher AS 550 2T 4T
- AS Profi- Rasenmäher AS 480 2T 4T
- AS Schlegelmäher AS 700 SM
- AS Schlegelmäher AS 570 SM
- AS Mulchmäher AS 530 2T 4T
- AS Profi-Rasenmäher AS 531 2T 4T
- AS Schlegelmäher AS 557 SM
- AS Aufsitzmäher AS 1040 YAK 4WD
- AS Allmäher AS 63 2T 4T Honda und B&S
Preis:
0,65 EUR